汽车研发:充电枪结构设计、控制及测试要求解析!
老司机们每次约小姐姐们出去嗨皮的时候,总是要等很久,因为小姐姐们为了美美的出门,要化很久的妆,像下面这位小姐姐拍照的时候,估计化妆要好几个小时吧!老司机们总希望小姐姐能快一点,纯电动汽车常规充电比小姐姐更慢,但不总是慢,因为我们分为快充和慢充呀!
今天
漫谈君就带你一起来看看
充电枪结构设计、控制及测试要求解析
漫谈君同时也为大家收集了一套比较完善的标准(详情请点击《汽车标准清单及使用状态汇总(附送全套法规)》查看),领取方法请往下看!
2、全套汽车标准,在公众号后台回复“标准”,即可领取!
二、汽车大漫谈汽车研发技术群加群:
7群已满员,有需要进群的工程师童鞋,请加漫谈君微信:autotechstudy01,备注名称+专业哟,方便邀请进群!
纯电动汽车的充电方式有快充和慢充两种,这两者是相对的概念,一般快充为大功率直流充电,一小时以内可以充满电池80%的电量,慢充指交流充电,充电过程需6~8小时。而电动车上正常也都配快充枪和慢充枪,以方便用户选择(有的车按高低配置区分有的也只有快充或慢充),不论是快充还是慢充,对于枪的设计都有相关的法规和技术要求。
我们先来看看什么是快充和慢充。
所谓的快充,就是将AC-DC转化器外接到充电桩上,这样充电枪输出的电流就直接是直流了。快充的电功率就可以做得很大,从30KW到几百KW不等。目前大功率的充电特斯拉的超级充电桩是典型代表,其Ssuper Charger V3就支持250kW,旗下Model3、ModelS和ModelX等车型都支持该充电功率。另外,还有保时捷的Taycan甚至支持350kW的充电功率。
所谓慢充就是充电桩连接的是OBC,即车载充电机,这个设备的作用就是将充电桩进来的交流电转化成直流电,就是所谓的AC-DC转化。之所以需要这个交直流的转化,原因就是动力电池仅支持直流充电。也就是说,充电功率的大小是由OBC的功率直接决定的。目前市面上主流的OBC功率是在7kW,也有11kW和22kW的。
充电枪分7个接头(交流桩)和9个接头(直流桩),每个接头代表了不同的电源或控制信号,具体国标都有规定。下面主要针对快充和慢充的接口定义及原理做说明。
下图为快充枪的接口定义,其中:
- DC+:直流电源正
- DC-:直流电源负
- PE:接地(搭铁)
- S+:通讯CAN-H
- S-:通讯CAN-L
- CC1:充电连接确认
- CC2:充电连接确认
- A+:12V+
- A-:12V-
那么CC1、CC2是如何确认是否连接正常呢?CC1和CC2充电桩检测原理图如下所示。
- 当检测点1的电压是12V,S开关(枪头)是断开时,枪头和底座状态为断开;
- 当电压为6V,S开关(枪头)闭合时,枪头和底座状态为断开;
- 当电压为6V,S开关(枪头)断开时,枪头和底座状态为结合;
- 当4V时,S开关(枪头)闭合时,枪头和底座状态为结合(完全结合);
- 当CC1接通后,两电阻分压获得6V电压,否则获得12V电压。
下面进行举例说明:
下图为北汽EV200的快充电路图。当VCU通过CC2确认连接;快充接口把唤醒信号发送给VCU;VCU接收到信号后唤醒BMS,输送信号至BMS继电器,就可以开始充电了。这里需要说明的是:CAN线主要是是车辆发送充电需求用的。充电桩根据车辆的需求来供应电量。整个控制上需要确保如下部件正常工作:
1)需要确保VCU供电(保险丝)、搭铁正常,VCU无故障;
2)需要确动力电池供电(保险丝)、搭铁正常,BMS无故障,电流互感器正常,动力电池电压、电流、温度等正常;
3)高压控制盒继电器正常,VCU的控制信号正常;
4)CAN通讯正常;
5)快充接口唤醒VCU信号正常,VCU唤醒BMS信号正常,VCU控制BMS继电器信号正常。CC1连接其信号正常输入VCU。
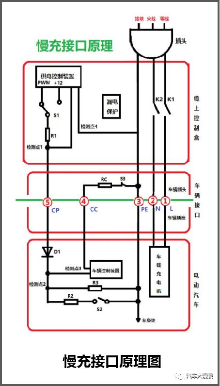
下图为慢充枪的接口定义,其中:
- CC:车辆控制装置连接确认
- CP:充电桩连接确
- PE:接地(搭铁)
- L:三相交流电“U”
- N:三相交流电“中性”
- NC1:三相交流电“V”
- NC2:三相交流电“W”
- 通常NC1与NC2是空的、L、N就是接的家用220V的两根线。
同样,和快充一样,如何保证CC、CP能够连接正常呢?
1) 首先,“缆上控制盒”会通过CP检测点1与检测点4检测电压是否为12V。如果没有连接好,检测点4就没有搭铁,就检测不出电压,如果连接好了,检测点4通过PE就与车辆搭铁相通了,这时电压就是12V,有12V电后“缆上控制盒”就会让S1与PWM接通,否则S1是与+12接通;
2) 车辆控制装置会通过CC检测R3电阻来确认充电枪与车辆插座是否连接,如果未连接好,电阻为无穷大,否则有相应电阻值;
3) 最后,车辆控制装置计算充电电缆额定容量与缆上控制盒的电流后,把车载充电机最大功率设为他们的最小值。慢充接口原理如下所示。
同样以北汽EV200为例说明慢充电路如何控制的,具体如下图所示。具体控制原理为:
- 车载充电机与充电桩成功连接后,车载充电机把CC连接确认信号发送给VCU;
- 车载充电机把唤醒信号发送给VCU;
- VCU接收到信号后唤醒BMS输送信号至BMS继电器,连接后就可以充电了。
下图为《GBT20234.3-2015电动汽车传导充电用连接装置第3部分直流充电接口》中关于插头的公差标注。
根据装配要求,触头与插座在公差设计中,应确保能顺利插拨,同时需要保证一定的插拨力。根据国家标准中的图纸规范,按极值法计算一下动力触头接插部分正负二极的装配尺寸链。
1)插座正负极最大实体状态下的极限位置
正负二极距离的理论正确尺寸为34mm,二孔的位置度为Φ0.3mm,二孔的最小尺寸为Φ12.2mm。二个极限孔位的状态如下图所示。
2)插头正负极的最大实体状态下的极限位置
正负二极距离的理论正确尺寸为34mm,二孔的位置度为Φ0.3mm,二插针的最大直径为Φ12mm。二个极限针位的状态如下图所示。
3)GB标准中标注的正负极装配尺寸链分析结论
按目前GB的公差标注,在极限状态下,针与孔会发生干涉,其装配时最大干涉量达到0.4mm。比对GB和SAE标准(SAEJ1772:2010SAE Electric Vehicle and Plugin Hybrid Electric Vehicle Conductive Charge Coupler)可以发现,国家标准的精度要求远低于SAE,再加上装配尺寸链的问题,在实际应用可能会出现接插不正常的现象,导致接插松动、接触不良、触头弯斜等问题,并最终造成温升烧枪和应用寿命短的现象。针对此标准,目前企业标准在结构的设计上相对要比国标更加苛刻才能避免因为结构设计上出现的不匹配导致充电枪的各种问题。
不论是快充枪还是慢充枪,作为充电设备与电动汽车充电电池的接口作用,国家是有强制规定标准的,所有充电桩和电动汽车厂家都必须共同遵守,以保证桩和枪的连接一致性。
根据自身经验和充电枪新国标的要求概括出四点:
- 接口通用性检查
- 机械结构可靠性测试
- 材料性能测试
- 电气安全测试
下面以慢充枪为例做深入详细解读。
充电枪的设计与开发,虽然有强制的国家标准要求,但随着技术的迭代,为了覆盖整个行业的需求,从充电桩到充电枪的标准也需要随之更新完善。同时,考虑到各厂家的兼容性,在设计时候也要充分考虑满足性能、尤其耐久等要求,以满足产品平台化。




